Electrical Products
Designed to deliver the inventory you need
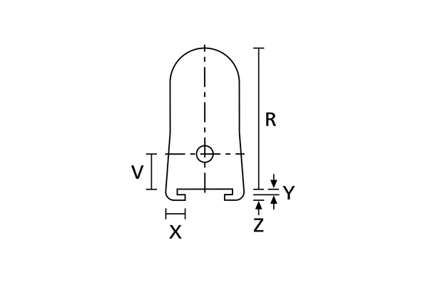
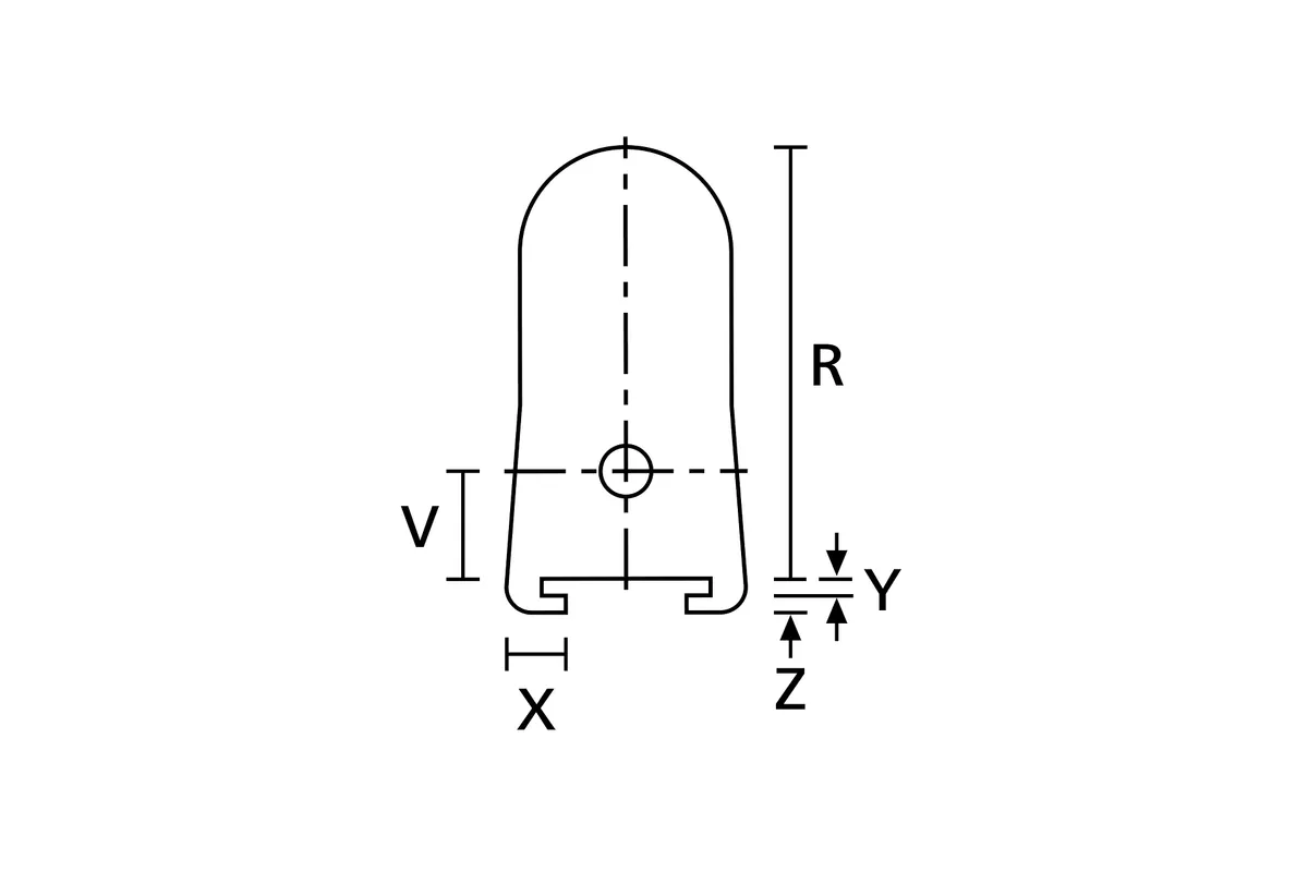
2100 Series Connector Cover for Min-D Series (Side Entry)
Connector Covers
Products
| Item # | Type | Expanded (Min) H | Expanded (Min) J | Expanded (Min) K | Material |
|---|---|---|---|---|---|
| 2101-1-B7 | With Lips | 0.80 | 0.42 | 0.31 | Semi-Rigid Flame Retarded Polyolefin |
| 2101-1-G | With Lips | 0.80 | 0.42 | 0.31 | Fluid Resistant Flame Retarded Elastomer |
| 2101-1-H | With Lips | 0.80 | 0.42 | 0.31 | Flexible Zero-Hal Limited Fire Hazard Material |
| 2101-1-J | With Lips | 0.80 | 0.42 | 0.31 | Flexible Flame Retarded Polyolefin |
| 2101-1-L | With Lips | 0.80 | 0.42 | 0.31 | Flexible Flame Retarded Fluro-Elastomer |
| 2101-2-B7 | With Lips | 0.63 | 0.63 | 0.63 | Semi-Rigid Flame Retarded Polyolefin |
| 2101-2-G | With Lips | 0.63 | 0.63 | 0.63 | Fluid Resistant Flame Retarded Elastomer |
| 2101-2-H | With Lips | 0.63 | 0.63 | 0.63 | Flexible Zero-Hal Limited Fire Hazard Material |
| 2101-2-J | With Lips | 0.63 | 0.63 | 0.63 | Flexible Flame Retarded Polyolefin |
| 2101-2-L | With Lips | 0.63 | 0.63 | 0.63 | Flexible Flame Retarded Fluro-Elastomer |
| 2102-1-B7 | With Lips | 1.11 | 0.42 | 0.40 | Semi-Rigid Flame Retarded Polyolefin |
| 2102-1-G | With Lips | 1.11 | 0.42 | 0.40 | Fluid Resistant Flame Retarded Elastomer |
| 2102-1-H | With Lips | 1.11 | 0.42 | 0.40 | Flexible Zero-Hal Limited Fire Hazard Material |
| 2102-1-J | With Lips | 1.11 | 0.42 | 0.40 | Flexible Flame Retarded Polyolefin |
| 2102-1-L | With Lips | 1.11 | 0.42 | 0.40 | Flexible Flame Retarded Fluro-Elastomer |
| 2102-2-B7 | With Lips | 0.75 | 0.75 | 0.75 | Semi-Rigid Flame Retarded Polyolefin |
| 2102-2-G | With Lips | 0.75 | 0.75 | 0.75 | Fluid Resistant Flame Retarded Elastomer |
| 2102-2-H | With Lips | 0.75 | 0.75 | 0.75 | Flexible Zero-Hal Limited Fire Hazard Material |
| 2102-2-J | With Lips | 0.75 | 0.75 | 0.75 | Flexible Flame Retarded Polyolefin |
| 2102-2-L | With Lips | 0.75 | 0.75 | 0.75 | Flexible Flame Retarded Fluro-Elastomer |
| 2103-1-B7 | With Lips | 1.66 | 0.42 | 0.55 | Semi-Rigid Flame Retarded Polyolefin |
| 2103-1-G | With Lips | 1.66 | 0.42 | 0.55 | Fluid Resistant Flame Retarded Elastomer |
| 2103-1-H | With Lips | 1.66 | 0.42 | 0.55 | Flexible Zero-Hal Limited Fire Hazard Material |
| 2103-1-J | With Lips | 1.66 | 0.42 | 0.55 | Flexible Flame Retarded Polyolefin |
| 2103-1-L | With Lips | 1.66 | 0.42 | 0.55 | Flexible Flame Retarded Fluro-Elastomer |
| 2103-2-B7 | With Lips | 1.15 | 1.15 | 1.15 | Semi-Rigid Flame Retarded Polyolefin |
| 2103-2-G | With Lips | 1.15 | 1.15 | 1.15 | Fluid Resistant Flame Retarded Elastomer |
| 2103-2-H | With Lips | 1.15 | 1.15 | 1.15 | Flexible Zero-Hal Limited Fire Hazard Material |
| 2103-2-J | With Lips | 1.15 | 1.15 | 1.15 | Flexible Flame Retarded Polyolefin |
| 2103-2-L | With Lips | 1.15 | 1.15 | 1.15 | Flexible Flame Retarded Fluro-Elastomer |
| 2103-3-B7 | Without Lips | 1.69 | 0.49 | 0.55 | Semi-Rigid Flame Retarded Polyolefin |
| 2103-3-G | Without Lips | 1.69 | 0.49 | 0.55 | Fluid Resistant Flame Retarded Elastomer |
| 2103-3-H | Without Lips | 1.69 | 0.49 | 0.55 | Flexible Zero-Hal Limited Fire Hazard Material |
| 2103-3-J | Without Lips | 1.69 | 0.49 | 0.55 | Flexible Flame Retarded Polyolefin |
| 2103-3-L | Without Lips | 1.69 | 0.49 | 0.55 | Flexible Flame Retarded Fluro-Elastomer |
| 2104-1-B7 | With Lips | 2.31 | 0.42 | 0.68 | Semi-Rigid Flame Retarded Polyolefin |
| 2104-1-G | With Lips | 2.31 | 0.42 | 0.68 | Fluid Resistant Flame Retarded Elastomer |
| 2104-1-H | With Lips | 2.31 | 0.42 | 0.68 | Flexible Zero-Hal Limited Fire Hazard Material |
| 2104-1-J | With Lips | 2.31 | 0.42 | 0.68 | Flexible Flame Retarded Polyolefin |
| 2104-1-L | With Lips | 2.31 | 0.42 | 0.68 | Flexible Flame Retarded Fluro-Elastomer |
| 2105-1-B7 | With Lips | 2.28 | 0.54 | 0.75 | Semi-Rigid Flame Retarded Polyolefin |
| 2105-1-G | With Lips | 2.28 | 0.54 | 0.75 | Fluid Resistant Flame Retarded Elastomer |
| 2105-1-H | With Lips | 2.28 | 0.54 | 0.75 | Flexible Zero-Hal Limited Fire Hazard Material |
| 2105-1-J | With Lips | 2.28 | 0.54 | 0.75 | Flexible Flame Retarded Polyolefin |
| 2105-1-L | With Lips | 2.28 | 0.54 | 0.75 | Flexible Flame Retarded Fluro-Elastomer |
| 2105-2-B7 | With Lips | 1.48 | 1.48 | 1.48 | Semi-Rigid Flame Retarded Polyolefin |
| 2105-2-G | With Lips | 1.48 | 1.48 | 1.48 | Fluid Resistant Flame Retarded Elastomer |
| 2105-2-H | With Lips | 1.48 | 1.48 | 1.48 | Flexible Zero-Hal Limited Fire Hazard Material |
| 2105-2-J | With Lips | 1.48 | 1.48 | 1.48 | Flexible Flame Retarded Polyolefin |
| 2105-2-L | With Lips | 1.48 | 1.48 | 1.48 | Flexible Flame Retarded Fluro-Elastomer |
| 2105-3-B7 | Without Lips | 2.26 | 0.60 | 0.75 | Semi-Rigid Flame Retarded Polyolefin |
| 2105-3-G | Without Lips | 2.26 | 0.60 | 0.75 | Fluid Resistant Flame Retarded Elastomer |
| 2105-3-H | Without Lips | 2.26 | 0.60 | 0.75 | Flexible Zero-Hal Limited Fire Hazard Material |
| 2105-3-J | Without Lips | 2.26 | 0.60 | 0.75 | Flexible Flame Retarded Polyolefin |
| 2105-3-L | Without Lips | 2.26 | 0.60 | 0.75 | Flexible Flame Retarded Fluro-Elastomer |
Visit the FDH Electronics online store and create an account for special pricing.